by Kenneth E. Martin, Electric Power Group, USA Synchrophasor measurement was described in 1983 and then first implemented in the mid 1980’s at Virginia Tech. A phasor, consisting of the magnitude...
Issue 071 March 2025
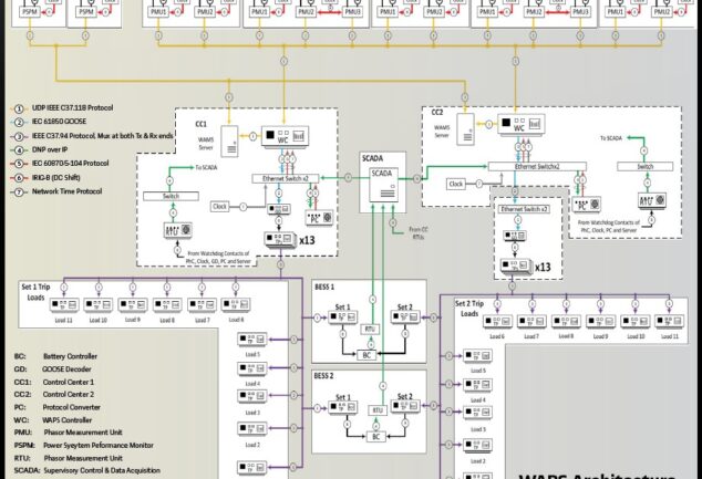
Cover Art

Cover Story
Featured Articles
Synchrophasors and IEC 61850
by Alexander Apostolov, PAC World, Los Angeles, USA The past few decades have been a time of digital transformation that has profoundly reshaped our lives, industries, and societies. As part of this...
Enhancing South Australia’s Grid Resilience Through...
by Sean Norris, GE Vernova Grid Automation, UK, Maman Ahmad Khan, Douglas Wilson and Priyank Shah, GE Vernova, UK, and Devinda Perera and Hugo Klingenberg, ElectraNet, Australia South Australia...
Applications and Practicalities of Synchronized Waveform...
By Steven Blair, Synaptec, Kevin Kawal and Qiteng Hong, University of Strathclyde, UK, and Panagiotis Papadopoulos, University of Manchester, UK Synchronized waveform monitoring has the potential to...
Inverter-Based Resource (IBR), Oscillations, and Grid Reliability
By Thomas J. (TJ) Purcell IV, Dominion Energy Virginia, Josh Wold, Md Arif Khan, and Jared Bestebreur, Schweitzer Engineering Laboratories, Inc., USA Our world has seen fast growth in renewable...
Editorial
Editorial – Issue 071 March 2025
The Evolution of Synchrophasors by Alex Apostolov, Editor-in-Chief Synchrophasor technology represents one of the most significant advancements in modern power system monitoring and control. From...
Last Word
Forget Steady State Estimation
by Alex Apostolov, USA Synchrophasor technology represents a revolutionary advancement in power grid monitoring, transforming how utilities observe and manage electrical systems. This...
The Guru
Interview with PAC World guru NF Chin
PAC World: When and where were you born? NF C.: September 6th, 1949. Sandakan town, State of Sabah, East Malaysia. PAC World: Where did you go to school? NF C.: Hometown Sandakan...
History
The history of ground fault detection – The first power current...
by Walter Schossig, Germany, and Thomas Schossig, OMICRON electronics GmbH, Austria This is the first article of a series on earth fault detection. The topic started with the introduction of three...


